栏目导航
联系我们
电话:0769-81782196
地址:东莞市樟木头镇石新社区创业街85号一楼
当前位置:首页 > 产品中心 > 插座类 > DC座 >
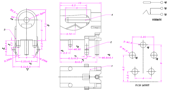
DC-01220
浏览: 发布日期:2017-10-26


  • 上一篇:DC-531
  • 下一篇:DC-01240
  •