栏目导航
插座类
耳机座
联系我们
电话:0769-81782196
地址:东莞市樟木头镇石新社区创业街85号一楼
当前位置:首页 > 产品中心 > 插座类 > AV插座 >
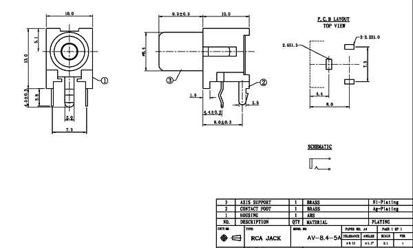
AV-8.4-5A
浏览: 发布日期:2017-09-23
  • 上一篇:AV-8.4-3
  • 下一篇:没有了
  •