网站首页
产品中心
排针
排母
AC插座
开关类
插座类
连接器类
USB
关于我们
公司概况
新闻资讯
联系我们
栏目导航
产品中心
排针
排母
AC插座
开关类
插座类
连接器类
USB
推荐产品
2.54mm间距排针连接器-三排
2.54mm间距排针连接器 单排
联系我们
电话:0769-81782196
地址:东莞市樟木头镇石新社区创业街85号一楼
当前位置:
首页
>
产品中心
>
USB
>
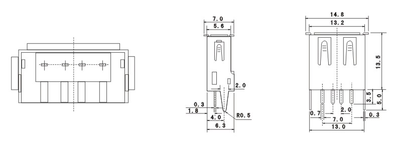
USB-101A
浏览: 发布日期:2017-09-20
上一篇:
卡座SD-002
下一篇:
USB-101B